Référence : 503.038.06600

Caractéristiques

IN - Entrée huile 3/8" Gas
OUT - Sortie huile 3/8" Gas
Débit Maxi (L/min) 35 L/min
Matière :
Gamme de clapets anti retour Clapets anti-retour simple piloté

Fiche technique

Pression Maximum 350
Pression d'ouverture 3 bar
Rapport de Pilotage (Ratio) 1 : 5,5
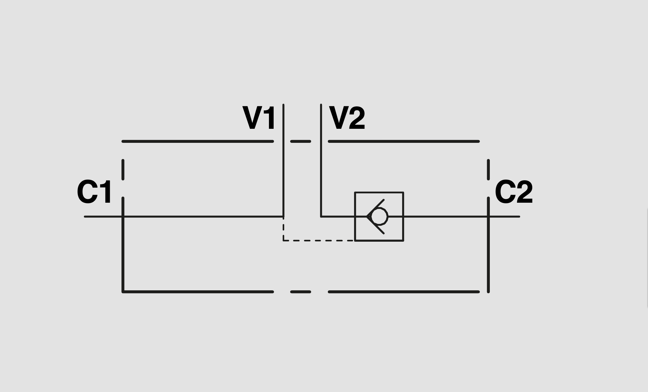
V1 V2 C1 C2 G 3/8"
Gamme Anti-retour simple piloté 4 voies type VBPSE
libellé Clapet anti-retour simple piloté 4 voies type VBPSE
Référence 503.038.06600
Désignation Clapet anti-retour simple piloté 4 voies type VBPSE 3/8
Poids (Kg) 0,706

Description générale

Caractéristiques techniques

Ces valves servent à bloquer le vérin dans un sens.
Le débit est libre dans un sens et bloqué dans le sens inverse jusqu’à ce que la pression pilote soit appliquée.

Instructions de montage
Connectez V1 et V2 à l’alimentation, C1 au côté débit libre de l’actionneur et C2 au côté de l’actionneur dont vous souhaitez que le débit soit bloqué.

Vous devez vous connecter pour voir le prix de ce produit.

ID SYSTEM
Votre contact commercial ID SYSTEM

email Nous contacter

phone_in_talk 02 40 83 40 00