Référence : 310.R2.21211PAPIER-C25µ

Caractéristiques

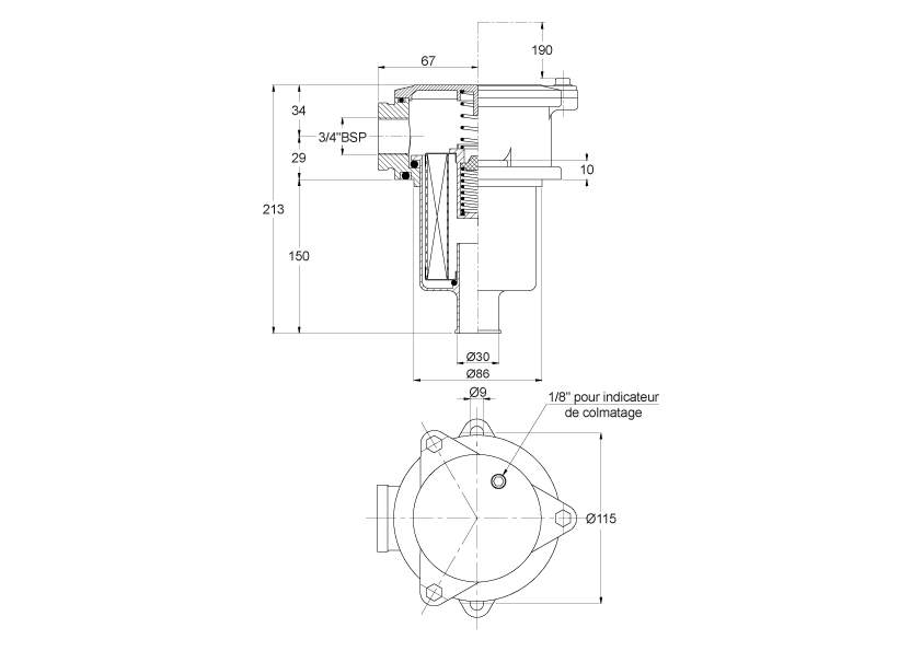
Longueur 213 mm
Plage de température de -25°C à +110°C
Débit d'huile (L/min) : 80
Fixation 2xØ9 sur Ø115
By-pass 1,7 bar ±10%
Implantation Femelle BSP 3/4"
Gamme de produit OMTF
Elément filtrant 25µm nominal (papier traité)

Fiche technique

Matière Corps et couvercle : Aluminium, Bol : Nylon ou acier,Joints : Nitrile
Pression de service (bar) 8 bar
Référence 310.R2.21211PAPIER-C25μ
Désignation Filtre retour sommet de réservoir 3/4"BSP - 80L/min - 25μ nominal (papier)
Ancienne référence EDH F2-004

Description générale

Couvercle équipé d'un bouchon 1/8" pour indicateur de colmatage

Vous devez vous connecter pour voir le prix de ce produit.

ID SYSTEM
Votre contact commercial ID SYSTEM

email Nous contacter

phone_in_talk 02 40 83 40 00